Главная Каталог продукции Прайс-лист Полезная информация контакты
Редукторы цилиндрические
Редукторы червячные
Мотор-редукторы
Преобразователи частоты
Устройства плавного пуска
Аксессуары для ПЧ
Энкодеры
Карта сайта

 

Приводная техника

 

Вся продукция сертифицирована. Мы будем рады видеть Вас клиентом нашей компании.

 

 

Редуктор червячный одноступенчатый универсальный 1Ч-63А

Червячный редуктор 1Ч63А

 

Редуктор червячный одноступенчатый универсальный 1Ч-63А является редуктором общего назначения и предназначен для изменения крутящего момента и частоты вращения.

 

УСЛОВИЯ ПРИМЕНЕНИЯ РЕДУКТОРОВ:

  • нагрузка постоянная и переменная одного направления и реверсивная;
  • работа постоянная и с периодическими остановками;
  • температура внешней среды от - 40°С до + 50°С; внешняя среда — неагрессивная, невзрывоопасен;
  • вращение валов в любую сторону.

Редуктор 1Ч63А

Редуктор 1Ч63А

Редуктор 1Ч63А


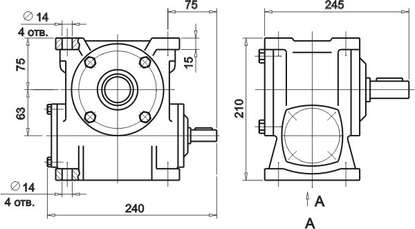
РИС1.
Габаритные и присоединительные размеры

 

ТЕХНИЧЕСКИЕ ХАРАКТЕРИСТИКИ

 

Частота вращения входного вала, об/мин Режим работы редуктора Допускаемый крутящий момент на выходном валу,  Н . м 
при номинальных передаточных числах
8,0
10,0
12,5
16,0
20,0
25,0
31,5
40,0
50,0
63,0
80,0
1500
ПВ>63%
130
130
120
130
130
120
130
130
125
110
105
ПВ=63%
140
125
125
150
132
125
170
160
132
106
100
ПВ=40%
160
132
132
160
140
132
200
170
140
106
100
ПВ=25%
160
140
132
180
140
132
200
180
150
112
106
ПВ=16%
170
150
132
190
150
140
200
190
150
112
106
1000
ПВ>63%
145
145
140
145
145
140
145
145
140
120
115
ПВ=63%
160
140
140
170
150
140
100
180
150
120
110
ПВ=40%
180
150
150
180
160
150
200
190
160
120
110
ПВ=25%
180
160
150
200
160
150
210
200
170
125
120
ПВ=16%
190
170
150
210
170
160
220
210
170
125
120
750
ПВ>63%
160
160
155
160
160
155
160
160
150
135
130
ПВ=63%
180
180
160
190
170
160
220
210
170
130
130
ПВ=40%
210
170
170
210
180
170
240
220
180
130
130
ПВ=25%
210
180
170
240
180
170
250
240
190
140
140
ПВ=16%
220
190
170
250
190
180
260
250
190
140
140

 

Частота вращения входного вала, об/мин Коэффициент полезного действия, %
при номинальных передаточных числах
8,0 10,0 12,5 16,0 20,0 25,0 31,5 40,0 50,0 63,0 80,0
1500
89
88
87
84
83
81
74
73
68
62
60
1000
88
87
86
82
81
79
71
69
65
59
57
750
87
86
85
82
80
78
69
67
63
56
54

 

Допускаемая радиальная консольная нагрузка на входном валу 340 Н
Допускаемая радиальная консольная нагрузка на выходном валу
при вариантах сборки 51, 52 - 3000 Н при вариантах сборки 53, 56 - 1500 Н

 

Таблица №1.

 

Редуктор 1Ч63А

РИС2.
Вариант сборки

 


МАССА РЕДУКТОРА, КГ
(в зависимости от варианта крепления и сборки)

 

Вариант крепления с алюминиевым корпусом с чугунным корпусом
при вариантах сборки
51; 52 53 56 51; 52 53 56
1
12,0
12,5
11,5
15,5
16,0
15,0
2
12,0
12,5
11,5
14,5
15,0
14,0
3; 4
12,0
12,5
11,5
14,5
15,0
14,0

 

Таблица №2.

 


ПРИМЕР УСЛОВНОГО ОБОЗНАЧЕНИЯ ПРИ ЗАКАЗЕ:

 

Редуктор 1Ч-63А-40-52, где:

  • — редуктор червячный;
  • 63 — межосевое расстояние, мм;
  • 40 — номинально передаточное число;
  • 52 — вариант сборки;

 

Приводная техника (мотор-редукторы, преобразователи частоты и устройства плавного пуска) отправляется покупателю транспортной компанией. По всем вопросам обращаться в офис.


Мы всегда рады видеть у себя наших старых партнеров и ждем новых.

Доставка во все регионы России!