 |
Цилиндрический соосный мотор-редуктор Varvel RD |
 |
Цилиндрические редукторы Varvel RD
отличаются тем, что в монолитном
едином корпусе реализуется как
двухступенчатый, так и
трехступенчатый редуктор.
Конструкция корпуса разработана в
соответствии с современными методами
проектирования. Трехмерная
компьютерная модель с учетом
реальных характеристик применяемых
материалов была всесторонне
исследована с помощью метода
конечных элементов. При этом удалось
существенно снизить вес корпуса и
создать монолитную равнопрочную
конструкцию.
Редукторы Varvel RD производятся в семи типоразмерах. Корпус изготовлен
методом литья под давлением из
алюминия и имеет интегрированные
лапы, а также универсальный съемный
выходной фланец, что позволяет
осуществить монтаж редуктора в любом
положении. Двухступенчатые или
трехступенчатые редукторы реализуют
28 различных передаточных отношений
от 2,5:1 до 630:1. Редукторы могут
комплектоваться стандартными
электродвигателями с высотой оси от
56 до 132 мм, максимальный момент на
выходном валу для редукторов серии
RD составляет 635 Нм. Габаритные и
присоединительные размеры
соответствуют стандартным размерам
цилиндрических редукторов SEW
Eurodrive. |
| |
|
|
| Габарит редуктора |
0 |
1 |
2 |
3 |
4 |
5 |
6 |
| Мощность
электродвигателя кВт |
0.55 |
1.1 |
3.0 |
4.0 |
9.2 |
22 |
22 |
| Габарит
электродвигателя IEC |
80 |
90 |
112 |
112 |
132 |
180 |
180 |
| Крутящий
момент Nm |
50 |
100 |
200 |
420 |
700 |
1300 |
2300 |
| Передаточное
отношение i (две
ступени) |
2.3 … 63 |
| Передаточное
отношение i (три
ступени) |
40 … 630 |
|
| |
Типоразмер:
двухступенчатых редукторов
трехступенчатых редукторов |
RD 02, RD 12, RD 22, RD 32, RD 42, RD 52, RD 62
RD 03, RD 13, RD 23, RD 33, RD 43, RD 53, RD 63 |
| Передаточные числа |
от 2,5:1
до 630:1 |
| Макс. выходной вращающий момент |
2300 Нм |
Ресурс |
В соответствии с ISO6336/DIN 3990 (В среднем ресурс работы
15000 часов с сервис фактором FS=1) |
Материал корпуса |
Литье под давлением, алюминий
AISi12Cu2Fe (АК 12) |
| Материал крышки |
Литье под давлением, алюминий
AISi12Cu2Fe (АК 12) |
Зубчатые колеса |
Сталь 20MnCr5, цементация. Степень
точности 6. (Профиль
зубьев шлифован) |
Валы и шпоночные пазы |
Сталь 39NiCrMo3
Точность изготовления валов - h6 –
Отверстий Е8
Шпоночные пазы в соответствии с
DIN6885 B1 |
Сальники |
Тип NB – нитрил-бутадиен (С дополнительным пыльником в
соответствии с DIN 3760) |
Тип масла |
Индустриальное синтетическое масло
на весь срок службы
SHELL TIVELA S220. Заливается при
сборке редуктора.
Вязкость в соответствии с ISO. |
Окраска |
Эпоксидная порошковая краска,
стандартный цвет RAL 7012 (серый) |
|
| |
Тщательно проработанная конструкция редуктора, а также точная обработка всех
посадочных поверхностей, позволила
существенно увеличить устойчивость к повышенным нагрузкам
воздействующих на редуктор. В
результате ресурс редуктора, рассчитываемый
в соответствии с ISO 6336 / DIN 3990,
составляет 15.000 часов, при этом
нагрузочная способность превышает
значения для аналогичных редукторов других
производителей.
Редукторы
соответствуют Российским стандартам ГОСТ Р
50968, ГОСТ 12.2.003, изготавливается
согласно ТУ 4161-002-53785685-04 и имеют сертификата
качества ISO 9001. |
| |
Система обозначений
|
| RD |
32 |
/ |
B5 |
H |
31.5 |
IEC71 |
- |
B14 |
AU30 |
DFU200 |
| 1 |
2 |
|
3 |
4 |
5 |
6 |
|
7 |
8 |
9 |
| |
|
| 1 |
Тип
редуктора:
RD – редуктор с выступающим
цилиндрическим входным валом
FRD – редуктор с полым входным валом
с фланцем
SRD – редуктор с полым входным валом
без входного фланца |
| 2 |
Типоразмер (3 – габарит; 2 – число
ступеней) |
| 3 |
Вариант исполнения (B3 – лапный,B5 –
фланцевый) |
| 4 |
Вариант установки (H –
горизонтальный,V – вертикальный) |
| 5 |
Номинальное передаточное отношение |
| 6 |
Типоразмер для присоединения
электродвигателя (для RD не
указывается) |
| 7 |
Исполнение входного фланца редуктора
(B5,B14) |
| 8 |
Диаметр выходного вала |
| 9 |
Диаметр выходного фланца |
| |
|
Габаритные и присоединительные размеры |
| |

 |
Габарит |
Размеры |
L |
L1 |
L2 |
d |
H |
M(6отв) |
d1 |
U |
C |
C1 |
C2 |
A |
E |
e |
V |
I |
A1 |
F |
H1 |
H2 |
H3 |
d2 |
RD02 |
140 |
25 |
13 |
52g6 |
55.5 |
M5x16 |
60 |
60° |
13 |
9 |
20 |
95 |
115 |
4.5 |
100 |
23 |
80 |
96 |
111 |
6.5 |
60 |
9 |
RD03 |
143 |
28 |
13 |
52g6 |
55.5 |
M5x16 |
60 |
60° |
13 |
9 |
20 |
95 |
115 |
4.5 |
100 |
23 |
80 |
96 |
111 |
6.5 |
60 |
9 |
RD12 |
151 |
23 |
13 |
60g6 |
70 |
M6x12 |
70 |
55° |
10 |
9 |
18 |
110 |
132 |
5 |
140 |
38 |
110 |
135 |
131 |
8 |
75 |
9 |
RD13 |
161 |
33 |
13 |
60g6 |
70 |
M6x12 |
70 |
55° |
10 |
9 |
18 |
110 |
132 |
5 |
140 |
38 |
110 |
135 |
131 |
8 |
75 |
9 |
RD22 |
190 |
35 |
15.5 |
70g6 |
84 |
M8x10 |
85 |
60° |
13 |
11 |
25 |
130 |
153 |
6 |
155 |
37 |
110 |
140 |
158 |
10 |
90 |
9 |
RD23 |
208 |
53 |
15.5 |
70g6 |
84 |
M8x10 |
85 |
60° |
13 |
11 |
25 |
130 |
153 |
6 |
155 |
37 |
110 |
140 |
158 |
10 |
90 |
9 |
RD32 |
220 |
25 |
15.5 |
70g6 |
106.5 |
M8x15 |
85 |
60° |
13 |
11 |
30 |
165 |
195 |
8.5 |
190 |
44 |
135 |
173 |
198 |
14 |
115 |
11.5 |
RD33 |
253 |
58 |
15.5 |
70g6 |
106.5 |
M8x15 |
85 |
60° |
13 |
11 |
30 |
165 |
195 |
8.5 |
190 |
44 |
135 |
173 |
198 |
14 |
115 |
11.5 |
RD42 |
265 |
40 |
15.5 |
80g6 |
120.5 |
M8x16 |
100 |
60° |
15 |
13 |
30 |
195 |
221 |
9.5 |
215 |
50 |
150 |
195 |
222 |
15 |
130 |
13.5 |
RD43 |
305 |
80 |
15.5 |
80g6 |
120.5 |
M8x16 |
100 |
60° |
15 |
13 |
30 |
195 |
221 |
9.5 |
215 |
50 |
150 |
195 |
222 |
15 |
130 |
13.5 |
|
| |
| Мотор-редуктор Varvel RD Размеры входного вала |
 |
Габарит |
Размеры |
N1 |
t |
S |
S1 |
S2 |
d2 |
RD 02 / RD 03 |
4 |
12.5 |
23 |
15 |
4 |
11h6 |
RD 12 / RD 13 |
5 |
16 |
30 |
25 |
2.5 |
14h6 |
RD 22 / RD 23 |
6 |
21.5 |
40 |
30 |
5 |
19h6 |
RD 32 / RD 33 |
8 |
27 |
50 |
40 |
5 |
24h6 |
RD 42 / RD 43 |
8 |
31 |
60 |
50 |
5 |
28h6 |
|
| |
| Мотор-редуктор Varvel RD Размеры выходного вала |
 |
Габарит |
Размеры |
|
S |
S1 |
S2 |
d |
d1 |
N1 |
t |
RD 02 / RD 03 |
AU17 |
35 |
25 |
5 |
Ø 17h6 |
M6x16 |
5 |
19 |
AU20 |
40 |
30 |
5 |
Ø 20h6 |
M6x16 |
6 |
22.5 |
RD 12 / RD 13 |
AU20 |
40 |
30 |
5 |
Ø 20h6 |
M6x16 |
6 |
22.5 |
AU25 |
50 |
40 |
5 |
Ø 25h6 |
M6x16 |
8 |
28 |
RD 22 / RD 23 |
AU25 |
50 |
40 |
5 |
Ø 25h6 |
M6x16 |
8 |
28 |
AU30 |
60 |
40 |
10 |
Ø 30h6 |
M10x22 |
8 |
33 |
RD 32 / RD 33 |
AU30 |
60 |
40 |
10 |
Ø 30h6 |
M10x22 |
8 |
33 |
AU35 |
70 |
50 |
10 |
Ø 35h6 |
M10x22 |
10 |
38 |
RD 42 / RD 43 |
AU35 |
70 |
50 |
10 |
Ø 35h6 |
M10x22 |
10 |
38 |
AU40 |
80 |
60 |
10 |
Ø 40h6 |
M12x28 |
12 |
43 |
|
| |
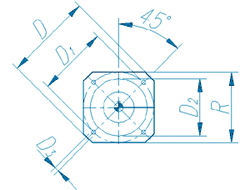
| Мотор-редуктор Varvel RD Размеры выходного фланца (B5) |
 |
Габарит |
Размеры |
|
D |
D1 |
D2 |
D3 |
R |
RD 02 / RD 03 |
DFU120 |
Ø 120 |
Ø 100 |
Ø 90h7 |
Ø 9 (4) |
Ø 100 |
DFU140 |
Ø 140 |
Ø 115 |
Ø 95h7 |
Ø 9 (4) |
Ø 115 |
DFU160 |
Ø 160 |
Ø 130 |
Ø 110h7 |
Ø 9 (4) |
Ø 130 |
RD 12 / RD 13 |
DFU120 |
Ø 120 |
Ø 100 |
Ø 90h7 |
Ø 9 (4) |
Ø 100 |
DFU140 |
Ø 140 |
Ø 115 |
Ø 95h7 |
Ø 9 (4) |
Ø 115 |
DFU160 |
Ø 160 |
Ø 130 |
Ø 110h7 |
Ø 9 (4) |
Ø 130 |
RD 22 / RD 23 |
DFU140 |
Ø 140 |
Ø 115 |
Ø 95h7 |
Ø 9 (4) |
Ø 115 |
DFU160 |
Ø 160 |
Ø 130 |
Ø 110h7 |
Ø 9 (4) |
Ø 130 |
DFU200 |
Ø 200 |
Ø 165 |
Ø 130h7 |
Ø 11 (4) |
Ø 165 |
RD 32 / RD 33 |
DFU160 |
Ø 160 |
Ø 130 |
Ø 110h7 |
Ø 9 (4) |
Ø 135 |
DFU200 |
Ø 200 |
Ø 165 |
Ø 130h7 |
Ø 11 (4) |
Ø 165 |
DFU250 |
Ø 250 |
Ø 215 |
Ø 180h7 |
Ø 13 (4) |
Ø 215 |
RD 42 / RD 43 |
DFU200 |
Ø 200 |
Ø 165 |
Ø 130h7 |
Ø 11 (4) |
Ø 165 |
DFU250 |
Ø 250 |
Ø 215 |
Ø 180h7 |
Ø 13.5 (4) |
Ø 215 |
DFU300 |
Ø 300 |
Ø 265 |
Ø 230h7 |
Ø 17 (4) |
Ø 265 |
|
Технические характеристики |
| |
0.06 кВт
0.09 кВт
0.12 кВт
0.18 кВт
0.25 кВт
0.37 кВт
0.55 кВт
0.75 кВт |
1.1 кВт
1.5 кВт
2.2 кВт
3.0 кВт
4.0 кВт
5.5 кВт
7.5 кВт |
| |
|
n1=
1360 об/мин
iн |
iд |
n2,
об/мин |
M2,
Н·м |
F.S. |
Тип мотор-редуктора |
Fr2,
Н |
Mасса,
кг |
2,5 |
2,57 |
529 |
1,0 |
>3,5 |
Varvel RD02 |
820 |
5,5 |
3,15 |
3,28 |
415 |
1,3 |
>3,5 |
Varvel RD02 |
890 |
5,5 |
4,0 |
4,26 |
319 |
1,7 |
>3,5 |
Varvel RD02 |
960 |
5,5 |
5,0 |
5,28 |
258 |
2,1 |
>3,5 |
Varvel RD02 |
1020 |
5,5 |
6,3 |
6,25 |
218 |
2,5 |
>3,5 |
Varvel RD02 |
1100 |
5,5 |
8,0 |
7,98 |
170 |
3,2 |
>3,5 |
Varvel RD02 |
1180 |
5,5 |
10,0 |
10,36 |
131 |
4,2 |
>3,5 |
Varvel RD02 |
1290 |
5,5 |
12,5 |
12,84 |
106 |
5,2 |
>3,5 |
Varvel RD02 |
1370 |
5,5 |
16,0 |
16,32 |
83 |
6,6 |
>3,5 |
Varvel RD02 |
1480 |
5,5 |
20,0 |
21,53 |
63 |
8,7 |
>3,5 |
Varvel RD02 |
1590 |
5,5 |
25,0 |
26,75 |
51 |
10,8 |
>3,5 |
Varvel RD02 |
1590 |
5,5 |
31,5 |
30,22 |
45 |
12,2 |
>3,5 |
Varvel RD02 |
1580 |
5,5 |
35,5 |
34,68 |
39 |
13,9 |
>3,5 |
Varvel RD02 |
1580 |
5,5 |
40 |
43,07 |
32 |
17,4 |
2,01 |
Varvel RD02 |
1560 |
5,5 |
40 |
36,89 |
37 |
14,9 |
3,48 |
Varvel RD03 |
1570 |
5,7 |
50 |
48,67 |
28 |
19,7 |
1,83 |
Varvel RD02 |
1550 |
5,5 |
50 |
47,07 |
29 |
19,0 |
2,73 |
Varvel RD03 |
1560 |
5,7 |
63 |
61,14 |
22 |
24,7 |
2,10 |
Varvel RD03 |
1520 |
5,7 |
63 |
61,67 |
22 |
25,0 |
2,81 |
Varvel RD12 |
1960 |
7,0 |
80 |
75,78 |
18 |
30,7 |
1,70 |
Varvel RD03 |
1480 |
5,7 |
80 |
80,43 |
17 |
33 |
3,07 |
Varvel RD13 |
1930 |
7,2 |
100 |
96,29 |
14 |
38,9 |
1,34 |
Varvel RD03 |
1400 |
5,7 |
100 |
100,60 |
14 |
41 |
2,45 |
Varvel RD13 |
1900 |
7,2 |
125 |
127,05 |
10,7 |
51,4 |
1,01 |
Varvel RD03 |
1230 |
5,7 |
125 |
130,84 |
10,4 |
53 |
1,89 |
Varvel RD13 |
1820 |
7,2 |
160 |
157,81 |
8,6 |
63,8 |
0,81 |
Varvel RD03 |
970 |
5,7 |
160 |
165,08 |
8,2 |
67 |
1,50 |
Varvel RD13 |
1710 |
7,2 |
180 |
178,31 |
7,6 |
72,1 |
0,80 |
Varvel RD03 |
700 |
5,7 |
200 |
204,58 |
6,6 |
45,0 |
0,80 |
Varvel RD03 |
1300 |
5,7 |
200 |
206,46 |
6,6 |
84 |
1,20 |
Varvel RD13 |
1530 |
7,2 |
250 |
254,11 |
5,4 |
45,0 |
0,80 |
Varvel RD03 |
1300 |
5,7 |
250 |
268,54 |
5,1 |
109 |
0,92 |
Varvel RD13 |
1100 |
7,2 |
280 |
287,13 |
4,7 |
45,0 |
0,80 |
Varvel RD03 |
1300 |
5,7 |
315 |
324,44 |
4,2 |
45,0 |
0,80 |
Varvel RD03 |
1300 |
5,7 |
P1=
0.09 кВт
n1= 1360 об/мин
iн |
iд |
n2,
об/мин |
M2,
Н·м |
F.S. |
Тип мотор-редуктора |
Fr2,
Н |
Mасса,
кг |
2,5 |
2,57 |
529 |
1,6 |
>3,5 |
Varvel RD02 |
810 |
5,6 |
3,15 |
3,28 |
415 |
2,0 |
>3,5 |
Varvel RD02 |
880 |
5,6 |
4,0 |
4,26 |
319 |
2,6 |
>3,5 |
Varvel RD02 |
950 |
5,6 |
5,0 |
5,28 |
258 |
3,2 |
>3,5 |
Varvel RD02 |
1010 |
5,6 |
6,3 |
6,25 |
218 |
3,8 |
>3,5 |
Varvel RD02 |
1080 |
5,6 |
8,0 |
7,98 |
170 |
4,8 |
>3,5 |
Varvel RD02 |
1170 |
5,6 |
10,0 |
10,36 |
131 |
6,3 |
>3,5 |
Varvel RD02 |
1270 |
5,6 |
12,5 |
12,84 |
106 |
7,8 |
>3,5 |
Varvel RD02 |
1350 |
5,6 |
16,0 |
16,32 |
83 |
9,9 |
>3,5 |
Varvel RD02 |
1450 |
5,6 |
20,0 |
21,53 |
63 |
13,1 |
>3,5 |
Varvel RD02 |
1570 |
5,6 |
25,0 |
26,75 |
51 |
16,2 |
3,20 |
Varvel RD02 |
1570 |
5,6 |
31,5 |
30,22 |
45 |
18,3 |
2,84 |
Varvel RD02 |
1560 |
5,6 |
35,5 |
34,68 |
39 |
20,9 |
1,68 |
Varvel RD02 |
1540 |
5,6 |
40 |
43,07 |
32 |
26,1 |
1,34 |
Varvel RD02 |
1510 |
5,6 |
40 |
36,89 |
37 |
22,4 |
2,32 |
Varvel RD03 |
1540 |
5,8 |
40 |
39,08 |
35 |
23,7 |
2,95 |
Varvel RD12 |
1940 |
7,0 |
50 |
48,67 |
28 |
29,5 |
1,22 |
Varvel RD02 |
1490 |
5,6 |
50 |
47,07 |
29 |
28,6 |
1,82 |
Varvel RD03 |
1500 |
5,8 |
50 |
48,12 |
28 |
29,2 |
2,40 |
Varvel RD12 |
1940 |
7,0 |
50 |
52,20 |
26 |
32 |
3,12 |
Varvel RD13 |
1940 |
7,2 |
63 |
61,14 |
22 |
37,1 |
1,40 |
Varvel RD03 |
1420 |
5,8 |
63 |
61,67 |
22 |
37 |
1,88 |
Varvel RD12 |
1900 |
7,1 |
63 |
66,03 |
21 |
40 |
2,50 |
Varvel RD13 |
1900 |
7,3 |
80 |
75,78 |
18 |
46,0 |
1,13 |
Varvel RD03 |
1310 |
5,8 |
80 |
80,43 |
17 |
49 |
2,05 |
Varvel RD13 |
1850 |
7,3 |
100 |
96,29 |
14 |
58,4 |
0,89 |
Varvel RD03 |
1100 |
5,8 |
100 |
100,60 |
14 |
61 |
1,64 |
Varvel RD13 |
1760 |
7,3 |
125 |
130,84 |
10,4 |
79 |
1,26 |
Varvel RD13 |
1580 |
7,3 |
160 |
165,08 |
8,2 |
100 |
1,00 |
Varvel RD13 |
1280 |
7,3 |
200 |
206,46 |
6,6 |
125 |
0,80 |
Varvel RD13 |
1000 |
7,3 |
P1=
0.12 кВт
n1= 1360 об/мин
iн |
iд |
n2,
об/мин |
M2,
Н·м |
F.S. |
Тип мотор-редуктора |
Fr2,
Н |
Mасса,
кг |
2,5 |
2,57 |
529 |
2,1 |
>3,5 |
Varvel RD02 |
810 |
6,8 |
3,15 |
3,28 |
415 |
2,7 |
>3,5 |
Varvel RD02 |
870 |
6,8 |
4,0 |
4,26 |
319 |
3,4 |
>3,5 |
Varvel RD02 |
940 |
6,8 |
5,0 |
5,28 |
258 |
4,3 |
>3,5 |
Varvel RD02 |
1000 |
6,8 |
6,3 |
6,25 |
218 |
5,1 |
>3,5 |
Varvel RD02 |
1070 |
6,8 |
8,0 |
7,98 |
170 |
6,5 |
>3,5 |
Varvel RD02 |
1160 |
6,8 |
10,0 |
10,36 |
131 |
8,4 |
>3,5 |
Varvel RD02 |
1250 |
6,8 |
12,5 |
12,84 |
106 |
10,4 |
>3,5 |
Varvel RD02 |
1330 |
6,8 |
16,0 |
16,32 |
83 |
13,2 |
>3,5 |
Varvel RD02 |
1420 |
6,8 |
20,0 |
21,53 |
63 |
17,4 |
2,93 |
Varvel RD02 |
1530 |
6,8 |
25,0 |
26,75 |
51 |
21,6 |
2,40 |
Varvel RD02 |
1550 |
6,8 |
31,5 |
30,22 |
45 |
24,4 |
2,13 |
Varvel RD02 |
1530 |
6,8 |
35,5 |
34,68 |
39 |
27,8 |
1,26 |
Varvel RD02 |
1510 |
6,8 |
40 |
43,07 |
32 |
34,8 |
1,00 |
Varvel RD02 |
1450 |
6,8 |
40 |
36,89 |
37 |
29,8 |
1,74 |
Varvel RD03 |
1500 |
7,0 |
40 |
39,08 |
35 |
32 |
2,21 |
Varvel RD12 |
1910 |
8,3 |
40 |
40,10 |
34 |
32 |
3,05 |
Varvel RD13 |
1940 |
8,4 |
50 |
48,67 |
28 |
39,4 |
0,91 |
Varvel RD02 |
1410 |
6,8 |
50 |
47,07 |
29 |
38,1 |
1,37 |
Varvel RD03 |
1430 |
7,0 |
50 |
48,12 |
28 |
39 |
1,80 |
Varvel RD12 |
1910 |
8,3 |
50 |
52,20 |
26 |
42 |
2,34 |
Varvel RD13 |
1900 |
8,4 |
63 |
61,14 |
22 |
49,5 |
1,05 |
Varvel RD03 |
1300 |
7,0 |
63 |
61,67 |
22 |
50 |
1,41 |
Varvel RD12 |
1850 |
8,4 |
63 |
66,03 |
21 |
53 |
1,87 |
Varvel RD13 |
1840 |
8,5 |
80 |
75,78 |
18 |
61,3 |
0,85 |
Varvel RD03 |
1100 |
7,0 |
80 |
80,43 |
17 |
65 |
1,54 |
Varvel RD13 |
1750 |
8,5 |
80 |
81,52 |
16,7 |
66 |
3,03 |
Varvel RD23 |
3300 |
26,3 |
100 |
100,60 |
14 |
81 |
1,23 |
Varvel RD13 |
1600 |
8,5 |
100 |
105,43 |
12,9 |
85 |
2,34 |
Varvel RD23 |
3250 |
26,6 |
125 |
130,84 |
10,4 |
106 |
0,94 |
Varvel RD13 |
1270 |
8,5 |
125 |
124,16 |
11 |
100 |
1,99 |
Varvel RD23 |
3150 |
27,2 |
160 |
165,08 |
8,2 |
134 |
0,75 |
Varvel RD13 |
1100 |
8,5 |
160 |
164,94 |
8,2 |
133 |
1,50 |
Varvel RD23 |
2950 |
32,4 |
200 |
209,25 |
6,5 |
169 |
1,18 |
Varvel RD23 |
2650 |
27,2 |
250 |
270,63 |
5 |
219 |
0,91 |
Varvel RD23 |
1980 |
33,5 |
315 |
318,70 |
4,3 |
258 |
0,78 |
Varvel RD23 |
1600 |
33,6 |
P1=
0.18 кВт
n1= 1370 об/мин
iн |
iд |
n2,
об/мин |
M2,
Н·м |
F.S. |
Тип мотор-редуктора |
Fr2,
Н |
Mасса,
кг |
2,5 |
2,57 |
533 |
3,1 |
>3,5 |
Varvel RD02 |
800 |
7,4 |
3,15 |
3,28 |
418 |
3,9 |
>3,5 |
Varvel RD02 |
860 |
7,4 |
4,0 |
4,26 |
322 |
5,1 |
>3,5 |
Varvel RD02 |
920 |
7,4 |
5,0 |
5,28 |
259 |
6,4 |
>3,5 |
Varvel RD02 |
980 |
7,4 |
6,3 |
6,25 |
219 |
7,5 |
>3,5 |
Varvel RD02 |
1050 |
7,4 |
8,0 |
7,98 |
172 |
9,6 |
>3,5 |
Varvel RD02 |
1130 |
7,4 |
10,0 |
10,36 |
132 |
12,5 |
>3,5 |
Varvel RD02 |
1210 |
7,4 |
12,5 |
12,84 |
107 |
15,5 |
3,23 |
Varvel RD02 |
1280 |
7,4 |
16,0 |
16,32 |
84 |
19,7 |
2,59 |
Varvel RD02 |
1360 |
7,4 |
20,0 |
21,53 |
64 |
25,9 |
1,97 |
Varvel RD02 |
1460 |
7,4 |
25,0 |
26,75 |
51 |
32,2 |
1,61 |
Varvel RD02 |
1480 |
7,4 |
25,0 |
26,52 |
52 |
32 |
2,90 |
Varvel RD12 |
1940 |
8,9 |
31,5 |
30,22 |
45 |
36,4 |
1,43 |
Varvel RD02 |
1440 |
7,4 |
31,5 |
32,65 |
42 |
40 |
2,38 |
Varvel RD12 |
1910 |
8,9 |
35,5 |
34,68 |
40 |
41,8 |
0,84 |
Varvel RD02 |
1390 |
7,4 |
40 |
36,89 |
37 |
44,4 |
1,17 |
Varvel RD03 |
1370 |
7,6 |
40 |
39,08 |
35 |
47 |
1,48 |
Varvel RD12 |
1800 |
8,9 |
40 |
40,10 |
34 |
49 |
2,03 |
Varvel RD13 |
1870 |
9,0 |
50 |
47,07 |
29 |
56,7 |
0,92 |
Varvel RD03 |
1200 |
7,6 |
50 |
48,12 |
28 |
58 |
1,20 |
Varvel RD12 |
1800 |
8,9 |
50 |
52,20 |
26 |
63 |
1,56 |
Varvel RD13 |
1770 |
9,0 |
50 |
52,17 |
26,3 |
63 |
3,15 |
Varvel RD23 |
3330 |
34,0 |
63 |
61,14 |
22 |
73,6 |
0,80 |
Varvel RD03 |
800 |
7,6 |
63 |
61,67 |
22 |
75 |
0,94 |
Varvel RD12 |
1670 |
9,0 |
63 |
66,03 |
21 |
80 |
1,25 |
Varvel RD13 |
1630 |
9,1 |
63 |
64,26 |
21,3 |
78 |
2,57 |
Varvel RD23 |
3280 |
35,5 |
80 |
80,43 |
17 |
98 |
1,02 |
Varvel RD13 |
1420 |
9,1 |
80 |
81,52 |
16,8 |
99 |
2,02 |
Varvel RD23 |
3190 |
35,7 |
100 |
100,60 |
14 |
122 |
0,82 |
Varvel RD13 |
1200 |
9,1 |
100 |
105,43 |
13 |
128 |
1,56 |
Varvel RD23 |
3000 |
26,6 |
125 |
124,16 |
11 |
151 |
1,33 |
Varvel RD23 |
2850 |
26,6 |
160 |
164,94 |
8,3 |
200 |
1,00 |
Varvel RD23 |
2280 |
26,6 |
200 |
209,25 |
6,5 |
254 |
0,79 |
Varvel RD23 |
1500 |
32,1 |
P1=
0.25 кВт
n1= 1370 об/мин
iн |
iд |
n2,
об/мин |
M2,
Н·м |
F.S. |
Тип мотор-редуктора |
Fr2,
Н |
Mасса,
кг |
2,5 |
2,57 |
533 |
4,3 |
>3,5 |
Varvel RD02 |
780 |
9,0 |
3,15 |
3,28 |
418 |
5,5 |
>3,5 |
Varvel RD02 |
840 |
9,0 |
4,0 |
4,26 |
322 |
7,1 |
>3,5 |
Varvel RD02 |
900 |
9,0 |
5,0 |
5,28 |
259 |
8,8 |
>3,5 |
Varvel RD02 |
960 |
9,0 |
6,3 |
6,25 |
219 |
10,5 |
>3,5 |
Varvel RD02 |
1020 |
9,0 |
8,0 |
7,98 |
172 |
13,3 |
>3,5 |
Varvel RD02 |
1100 |
9,0 |
10,0 |
10,36 |
132 |
17,3 |
2,88 |
Varvel RD02 |
1170 |
9,0 |
12,5 |
12,84 |
107 |
21,5 |
2,33 |
Varvel RD02 |
1230 |
9,0 |
16,0 |
16,32 |
84 |
27,3 |
1,87 |
Varvel RD02 |
1300 |
9,0 |
16,0 |
16,30 |
84 |
27 |
3,36 |
Varvel RD12 |
1960 |
10,5 |
20,0 |
21,53 |
64 |
36,0 |
1,42 |
Varvel RD02 |
1370 |
9,0 |
20,0 |
20,39 |
67 |
34 |
2,72 |
Varvel RD12 |
1930 |
10,5 |
25,0 |
26,75 |
51 |
44,7 |
1,16 |
Varvel RD02 |
1370 |
9,0 |
25,0 |
26,52 |
52 |
44 |
2,12 |
Varvel RD12 |
1890 |
10,5 |
31,5 |
32,65 |
42 |
54 |
1,74 |
Varvel RD12 |
1840 |
10,5 |
40 |
36,89 |
37 |
61,7 |
0,84 |
Varvel RD03 |
1140 |
9,2 |
40 |
39,08 |
35 |
65 |
1,08 |
Varvel RD12 |
1630 |
10,5 |
40 |
40,10 |
34 |
67 |
1,49 |
Varvel RD13 |
1750 |
10,6 |
40 |
39,39 |
35 |
65 |
2,11 |
Varvel RD22 |
3320 |
13,5 |
40 |
40,76 |
34 |
68 |
2,94 |
Varvel RD23 |
2000 |
13,9 |
50 |
48,12 |
28 |
80 |
0,88 |
Varvel RD12 |
1630 |
10,5 |
50 |
52,20 |
26 |
87 |
1,14 |
Varvel RD13 |
1580 |
10,6 |
50 |
50,76 |
27 |
84 |
1,64 |
Varvel RD22 |
3250 |
13,5 |
50 |
52,17 |
26 |
87 |
2,30 |
Varvel RD23 |
3250 |
14,0 |
50 |
50,73 |
27 |
84 |
3,37 |
Varvel RD32 |
7950 |
19,1 |
63 |
66,03 |
21 |
110 |
0,91 |
Varvel RD13 |
1260 |
10,7 |
63 |
62,13 |
22 |
103 |
1,35 |
Varvel RD22 |
3170 |
13,6 |
63 |
64,26 |
21 |
107 |
1,87 |
Varvel RD23 |
3150 |
14,0 |
63 |
63,33 |
22 |
105 |
2,71 |
Varvel RD32 |
7850 |
19,1 |
80 |
80,43 |
17 |
134 |
0,75 |
Varvel RD13 |
1020 |
10,7 |
80 |
81,52 |
17 |
135 |
1,48 |
Varvel RD23 |
2950 |
14,0 |
80 |
76,31 |
18 |
127 |
3,33 |
Varvel RD33 |
7800 |
20,1 |
100 |
105,43 |
13 |
175 |
1,14 |
Varvel RD23 |
2650 |
14,0 |
100 |
99,54 |
14 |
165 |
2,56 |
Varvel RD33 |
7600 |
20,2 |
125 |
124,16 |
11 |
206 |
0,97 |
Varvel RD23 |
2250 |
14,0 |
125 |
130,90 |
10,5 |
217 |
1,95 |
Varvel RD33 |
7200 |
20,2 |
125 |
128,71 |
10,6 |
214 |
2,95 |
Varvel RD43 |
7700 |
28,2 |
160 |
164,94 |
8,3 |
274 |
0,73 |
Varvel RD23 |
2000 |
14,0 |
160 |
167,80 |
8,2 |
279 |
1,53 |
Varvel RD33 |
6500 |
20,2 |
160 |
157,36 |
8,7 |
261 |
2,42 |
Varvel RD43 |
9800 |
33,8 |
200 |
197,50 |
6,9 |
328 |
1,30 |
Varvel RD33 |
5900 |
20,2 |
200 |
206,95 |
6,6 |
344 |
1,84 |
Varvel RD43 |
9600 |
33,8 |
250 |
257,60 |
5,3 |
428 |
1,00 |
Varvel RD33 |
3600 |
20,3 |
250 |
258,38 |
5,3 |
429 |
1,48 |
Varvel RD43 |
9100 |
28,3 |
315 |
307,21 |
4,5 |
510 |
0,84 |
Varvel RD33 |
2700 |
20,3 |
315 |
318,46 |
4,3 |
529 |
1,20 |
Varvel RD43 |
8000 |
39,6 |
P1=
0.37 кВт
n1= 1380 об/мин
iн |
iд |
n2,
об/мин |
M2,
Н·м |
F.S. |
Тип мотор-редуктора |
Fr2,
Н |
Mасса, кг |
2,5 |
2,57 |
537 |
6,3 |
>3,5 |
Varvel RD02 |
760 |
9,4 |
3,15 |
3,28 |
421 |
8,1 |
>3,5 |
Varvel RD02 |
820 |
9,4 |
4,0 |
4,26 |
324 |
10,5 |
3,44 |
Varvel RD02 |
870 |
9,4 |
5,0 |
5,28 |
261 |
13,1 |
2,91 |
Varvel RD02 |
920 |
9,4 |
6,3 |
6,25 |
221 |
15,4 |
3,12 |
Varvel RD02 |
980 |
9,4 |
8,0 |
7,98 |
173 |
19,6 |
2,50 |
Varvel RD02 |
1040 |
9,4 |
10,0 |
10,36 |
133 |
25,5 |
1,96 |
Varvel RD02 |
1100 |
9,4 |
10,0 |
10,58 |
130 |
26 |
3,42 |
Varvel RD12 |
1960 |
10,8 |
12,5 |
12,84 |
107 |
31,6 |
1,62 |
Varvel RD02 |
1140 |
9,4 |
12,5 |
13,38 |
103 |
33 |
2,74 |
Varvel RD12 |
1940 |
10,8 |
16,0 |
16,32 |
85 |
40,1 |
1,27 |
Varvel RD02 |
1180 |
9,4 |
16,0 |
16,30 |
85 |
40 |
2,27 |
Varvel RD12 |
1910 |
10,9 |
20,0 |
21,53 |
64 |
52,9 |
0,96 |
Varvel RD02 |
1220 |
9,4 |
20,0 |
20,39 |
68 |
50 |
1,84 |
Varvel RD12 |
1860 |
10,9 |
25,0 |
26,75 |
52 |
65,7 |
0,80 |
Varvel RD02 |
1020 |
9,4 |
25,0 |
26,52 |
52 |
65 |
1,43 |
Varvel RD12 |
1760 |
10,9 |
25,0 |
26,73 |
52 |
66 |
2,85 |
Varvel RD22 |
3320 |
13,8 |
31,5 |
32,65 |
42 |
80 |
1,17 |
Varvel RD12 |
1630 |
10,9 |
31,5 |
31,48 |
44 |
77 |
2,44 |
Varvel RD22 |
3280 |
13,8 |
40 |
39,08 |
35 |
96 |
0,73 |
Varvel RD12 |
1630 |
10,9 |
40 |
40,10 |
34 |
99 |
1,00 |
Varvel RD13 |
1580 |
11,0 |
40 |
39,39 |
35 |
97 |
1,43 |
Varvel RD22 |
3200 |
13,9 |
40 |
40,76 |
34 |
100 |
1,99 |
Varvel RD23 |
2000 |
14,3 |
40 |
38,57 |
36 |
95 |
2,99 |
Varvel RD32 |
7900 |
19,5 |
50 |
52,20 |
26 |
128 |
0,77 |
Varvel RD13 |
1500 |
11,0 |
50 |
50,76 |
27 |
125 |
1,11 |
Varvel RD22 |
3040 |
13,9 |
50 |
52,17 |
26 |
128 |
1,56 |
Varvel RD23 |
2800 |
14,4 |
50 |
50,73 |
27 |
125 |
2,28 |
Varvel RD32 |
7800 |
19,5 |
63 |
62,13 |
22 |
153 |
0,91 |
Varvel RD22 |
2820 |
14,0 |
63 |
64,26 |
21 |
158 |
1,27 |
Varvel RD23 |
2350 |
14,4 |
63 |
63,33 |
22 |
156 |
1,83 |
Varvel RD32 |
7600 |
19,5 |
63 |
64,84 |
21 |
159 |
2,64 |
Varvel RD33 |
7600 |
20,5 |
80 |
81,52 |
17 |
200 |
1,00 |
Varvel RD23 |
1500 |
14,4 |
80 |
76,31 |
18 |
188 |
2,25 |
Varvel RD33 |
7400 |
20,5 |
80 |
82,25 |
16,8 |
184 |
3,41 |
Varvel RD43 |
9900 |
43,4 |
100 |
105,43 |
13 |
259 |
0,77 |
Varvel RD23 |
1200 |
14,4 |
100 |
99,54 |
14 |
245 |
1,73 |
Varvel RD33 |
6900 |
20,6 |
100 |
102,50 |
13,5 |
241 |
2,62 |
Varvel RD23 |
9800 |
43,5 |
125 |
130,90 |
10,5 |
322 |
1,32 |
Varvel RD33 |
6000 |
20,6 |
125 |
124,13 |
11,1 |
316 |
1,99 |
Varvel RD43 |
7700 |
41,0 |
160 |
167,80 |
8,2 |
413 |
1,03 |
Varvel RD33 |
4100 |
20,6 |
160 |
160,69 |
8,6 |
387 |
1,64 |
Varvel RD43 |
9400 |
43,7 |
200 |
197,50 |
7 |
486 |
0,88 |
Varvel RD33 |
3500 |
20,6 |
200 |
207,34 |
6,7 |
509 |
1,25 |
Varvel RD43 |
8100 |
43,8 |
250 |
258,38 |
5,3 |
635 |
1,00 |
Varvel RD43 |
6000 |
49,4 |
315 |
312,90 |
4,4 |
783 |
0,81 |
Varvel RD43 |
5000 |
43,8 |
P1=
0.55 кВт
n1= 1390 об/мин
iн |
iд |
n2,
об/мин |
M2,
Н·м |
F.S. |
Тип мотор-редуктора |
Fr2,
Н |
Mасса,
кг |
2,5 |
2,57 |
541 |
9,3 |
3,22 |
Varvel RD02 |
730 |
11,5 |
3,15 |
3,28 |
424 |
11,9 |
2,78 |
Varvel RD02 |
780 |
11,5 |
4,0 |
4,26 |
326 |
15,4 |
2,33 |
Varvel RD02 |
820 |
11,5 |
4,0 |
4,01 |
347 |
14,7 |
3,39 |
Varvel RD12 |
1889 |
13,3 |
5,0 |
5,28 |
263 |
19,3 |
1,97 |
Varvel RD02 |
870 |
11,5 |
5,0 |
5,07 |
274 |
18,5 |
2,85 |
Varvel RD12 |
1980 |
13,3 |
6,3 |
6,25 |
222 |
22,7 |
2,12 |
Varvel RD02 |
910 |
11,5 |
8,0 |
7,98 |
174 |
28,9 |
1,69 |
Varvel RD02 |
960 |
11,5 |
8,0 |
8,13 |
171 |
30 |
2,96 |
Varvel RD12 |
1950 |
13,4 |
10,0 |
10,36 |
134 |
37,6 |
1,33 |
Varvel RD02 |
980 |
11,5 |
10,0 |
10,58 |
131 |
39 |
2,30 |
Varvel RD12 |
1920 |
13,4 |
12,5 |
12,84 |
108 |
46,6 |
1,07 |
Varvel RD02 |
1010 |
11,5 |
12,5 |
13,38 |
104 |
49 |
1,84 |
Varvel RD12 |
1870 |
13,4 |
16,0 |
16,32 |
85 |
59,2 |
0,86 |
Varvel RD02 |
1010 |
11,5 |
16,0 |
16,30 |
85 |
60 |
1,53 |
Varvel RD12 |
1800 |
13,5 |
16,0 |
16,29 |
85 |
60 |
3,07 |
Varvel RD22 |
3253 |
16,4 |
20,0 |
20,39 |
68 |
75 |
1,23 |
Varvel RD12 |
1660 |
13,5 |
20,0 |
20,67 |
67 |
76 |
2,45 |
Varvel RD22 |
3290 |
16,4 |
25,0 |
26,52 |
52 |
97 |
0,96 |
Varvel RD12 |
1430 |
13,5 |
25,0 |
26,73 |
52 |
98 |
1,92 |
Varvel RD22 |
3200 |
16,4 |
31,5 |
32,65 |
43 |
119 |
0,79 |
Varvel RD12 |
1020 |
13,5 |
31,5 |
31,48 |
44 |
115 |
1,64 |
Varvel RD22 |
3100 |
16,4 |
31,5 |
33,21 |
42 |
121 |
3,30 |
Varvel RD32 |
7800 |
21,8 |
40 |
39,39 |
35 |
144 |
0,96 |
Varvel RD22 |
2900 |
16,5 |
40 |
40,76 |
34 |
149 |
1,34 |
Varvel RD23 |
1870 |
16,9 |
40 |
38,57 |
36 |
141 |
2,01 |
Varvel RD32 |
7700 |
22,1 |
40 |
41,54 |
33 |
152 |
2,66 |
Varvel RD42 |
10700 |
28,8 |
40 |
38,06 |
37 |
139 |
3,01 |
Varvel RD33 |
1940 |
23,0 |
50 |
50,76 |
27 |
186 |
0,75 |
Varvel RD22 |
2700 |
16,5 |
50 |
52,17 |
27 |
191 |
1,5 |
Varvel RD23 |
2450 |
17,0 |
50 |
50,73 |
27 |
185 |
1,53 |
Varvel RD32 |
7400 |
22,1 |
50 |
50,30 |
28 |
184 |
2,20 |
Varvel RD42 |
10600 |
28,8 |
50 |
48,77 |
29 |
178 |
2,36 |
Varvel RD33 |
7500 |
23,0 |
63 |
64,26 |
22 |
235 |
0,85 |
Varvel RD23 |
1800 |
17,0 |
63 |
63,33 |
22 |
231 |
1,23 |
Varvel RD32 |
7000 |
22,1 |
63 |
62,96 |
22 |
230 |
1,76 |
Varvel RD42 |
10300 |
28,9 |
63 |
64,84 |
21 |
237 |
1,78 |
Varvel RD33 |
7000 |
23,1 |
63 |
63,75 |
21,8 |
233 |
2,69 |
Varvel RD43 |
9800 |
30,0 |
80 |
76,31 |
18 |
279 |
1,51 |
Varvel RD33 |
6500 |
23,1 |
80 |
82,25 |
16,9 |
274 |
2,29 |
Varvel RD43 |
9700 |
30,1 |
100 |
99,54 |
14 |
364 |
1,16 |
Varvel RD33 |
5200 |
23,2 |
100 |
102,50 |
13,6 |
358 |
1,76 |
Varvel RD43 |
9500 |
30,3 |
125 |
130,90 |
10,6 |
478 |
0,89 |
Varvel RD33 |
4200 |
23,2 |
125 |
124,13 |
11,2 |
470 |
1,34 |
Varvel RD43 |
7200 |
30,4 |
160 |
160,69 |
8,7 |
575 |
1,10 |
Varvel RD43 |
7000 |
30,2 |
200 |
207,34 |
6,7 |
756 |
0,84 |
Varvel RD43 |
9000 |
30,3 |
P1=
0.75 кВт
n1= 1390 об/мин
iн |
iд |
n2,
об/мин |
M2,
Н·м |
F.S. |
Тип мотор-редуктора |
Fr2,
Н |
Mасса,
кг |
2,5 |
2,57 |
541 |
12,7 |
2,36 |
Varvel RD02 |
700 |
12,8 |
2,5 |
2,53 |
549 |
12,6 |
3,39 |
Varvel RD12 |
1680 |
14,6 |
3,15 |
3,28 |
424 |
16,2 |
2,04 |
Varvel RD02 |
730 |
12,8 |
3,15 |
3,08 |
451 |
15,3 |
2,99 |
Varvel RD12 |
1713 |
14,6 |
4,0 |
4,26 |
326 |
21,1 |
1,71 |
Varvel RD02 |
760 |
12,8 |
4,0 |
4,01 |
347 |
19,9 |
2,50 |
Varvel RD12 |
1842 |
14,6 |
5,0 |
5,28 |
263 |
26,1 |
1,46 |
Varvel RD02 |
810 |
12,8 |
5,0 |
5,07 |
274 |
25 |
2,10 |
Varvel RD12 |
1958 |
14,6 |
6,3 |
6,25 |
222 |
30,9 |
1,55 |
Varvel RD12 |
840 |
12,8 |
6,3 |
6,69 |
208 |
33 |
2,62 |
Varvel RD12 |
1940 |
14,7 |
8,0 |
7,98 |
174 |
39,5 |
1,24 |
Varvel RD02 |
860 |
12,8 |
8,0 |
8,13 |
171 |
40 |
2,18 |
Varvel RD12 |
1910 |
14,7 |
10,0 |
10,36 |
134 |
51,3 |
0,98 |
Varvel RD02 |
860 |
12,8 |
10,0 |
10,58 |
131 |
53 |
1,69 |
Varvel RD12 |
1850 |
14,7 |
12,5 |
12,84 |
108 |
63,5 |
0,80 |
Varvel RD02 |
850 |
12,8 |
12,5 |
13,38 |
104 |
66 |
1,36 |
Varvel RD12 |
1750 |
14,7 |
12,5 |
13,23 |
105 |
66 |
2,76 |
Varvel RD22 |
2970 |
17,6 |
16,0 |
16,30 |
85 |
81 |
1,12 |
Varvel RD12 |
1620 |
14,8 |
16,0 |
16,29 |
85 |
81 |
2,26 |
Varvel RD22 |
3120 |
17,7 |
20,0 |
20,39 |
68 |
101 |
0,91 |
Varvel RD12 |
1360 |
14,8 |
20,0 |
20,67 |
67 |
103 |
1,80 |
Varvel RD22 |
3170 |
17,7 |
25,0 |
26,52 |
52 |
132 |
0,71 |
Varvel RD12 |
1380 |
14,8 |
25,0 |
26,73 |
52 |
133 |
1,41 |
Varvel RD22 |
2980 |
17,7 |
25,0 |
25,26 |
55 |
125 |
3,15 |
Varvel RD32 |
7550 |
23,1 |
31,5 |
31,48 |
44 |
156 |
1,21 |
Varvel RD22 |
2790 |
17,7 |
31,5 |
33,21 |
42 |
165 |
2,43 |
Varvel RD32 |
7350 |
23,1 |
40 |
39,39 |
35 |
196 |
0,71 |
Varvel RD22 |
2600 |
17,8 |
40 |
40,76 |
34 |
202 |
0,98 |
Varvel RD23 |
1750 |
18,2 |
40 |
38,57 |
36 |
192 |
1,48 |
Varvel RD32 |
6800 |
23,4 |
40 |
41,54 |
33 |
206 |
1,96 |
Varvel RD42 |
10480 |
30,1 |
40 |
38,06 |
37 |
189 |
2,22 |
Varvel RD33 |
5000 |
24,3 |
40 |
37,42 |
37,1 |
186 |
3,36 |
Varvel RD43 |
9900 |
31,2 |
50 |
52,17 |
27 |
259 |
0,77 |
Varvel RD23 |
1500 |
18,3 |
50 |
50,73 |
27 |
252 |
1,13 |
Varvel RD32 |
5950 |
23,4 |
50 |
50,30 |
28 |
250 |
1,62 |
Varvel RD42 |
9500 |
30,1 |
50 |
48,77 |
29 |
242 |
1,74 |
Varvel RD33 |
6900 |
24,3 |
50 |
47,95 |
29 |
238 |
2,63 |
Varvel RD43 |
9800 |
31,2 |
63 |
63,33 |
21,9 |
315 |
0,91 |
Varvel RD32 |
5000 |
23,4 |
63 |
62,96 |
22 |
313 |
1,30 |
Varvel RD42 |
8500 |
30,2 |
63 |
64,84 |
21 |
322 |
1,31 |
Varvel RD33 |
5900 |
24,4 |
63 |
63,75 |
21,8 |
317 |
1,98 |
Varvel RD43 |
9700 |
31,3 |
80 |
76,31 |
18 |
379 |
1,11 |
Varvel RD33 |
4900 |
24,4 |
80 |
75,03 |
18,5 |
373 |
1,69 |
Varvel RD43 |
9200 |
31,4 |
100 |
99,54 |
14 |
494 |
0,86 |
Varvel RD33 |
3500 |
24,5 |
100 |
97,86 |
14,2 |
486 |
1,30 |
Varvel RD43 |
8100 |
31,6 |
125 |
124,13 |
11,2 |
639 |
0,99 |
Varvel RD43 |
6000 |
31,7 |
160 |
160,69 |
8,7 |
781 |
0,81 |
Varvel RD43 |
5000 |
31,5 |
P1=
1.1 кВт
n1= 1400 об/мин
iн |
iд |
n2,
об/мин |
M2,
Н·м |
F.S. |
Тип мотор-редуктора |
Fr2,
Н |
Mасса,
кг |
2,5 |
2,53 |
553 |
18,4 |
2,34 |
Varvel RD12 |
1569 |
16,8 |
3,15 |
3,08 |
455 |
22,4 |
2,05 |
Varvel RD12 |
1650 |
16,8 |
4,0 |
4,01 |
349 |
29 |
1,71 |
Varvel RD12 |
1761 |
16,8 |
5,0 |
5,07 |
276 |
37 |
1,43 |
Varvel RD12 |
1855 |
16,8 |
5,0 |
5,01 |
279 |
36 |
2,89 |
Varvel RD22 |
2160 |
19,6 |
6,3 |
6,69 |
209 |
49 |
1,79 |
Varvel RD12 |
1870 |
16,9 |
8,0 |
8,13 |
172 |
59 |
1,49 |
Varvel RD12 |
1800 |
16,9 |
8, |
8,27 |
169 |
60 |
2,95 |
Varvel RD22 |
2510 |
19,8 |
10,0 |
10,58 |
132 |
77 |
1,16 |
Varvel RD12 |
1660 |
16,9 |
10,0 |
10,33 |
136 |
75 |
2,39 |
Varvel RD22 |
2650 |
19,8 |
12,5 |
13,38 |
105 |
97 |
0,93 |
Varvel RD12 |
1420 |
16,9 |
12,5 |
13,23 |
106 |
96 |
1,89 |
Varvel RD22 |
2790 |
19,8 |
16,0 |
16,30 |
86 |
118 |
0,77 |
Varvel RD12 |
1030 |
17,0 |
16,0 |
16,29 |
86 |
118 |
1,55 |
Varvel RD22 |
2900 |
19,9 |
16,0 |
16,45 |
85 |
119 |
3,24 |
Varvel RD32 |
6290 |
25,2 |
20,0 |
20,67 |
68 |
150 |
1,23 |
Varvel RD22 |
2850 |
19,9 |
20,0 |
19,36 |
72 |
141 |
2,77 |
Varvel RD32 |
6560 |
25,2 |
25,0 |
26,73 |
52 |
194 |
0,97 |
Varvel RD22 |
2380 |
19,9 |
25,0 |
25,26 |
55 |
183 |
2,15 |
Varvel RD32 |
7020 |
25,3 |
25,0 |
24,48 |
57 |
178 |
3,30 |
Varvel RD42 |
8820 |
31,9 |
31,5 |
31,48 |
44 |
228 |
0,83 |
Varvel RD22 |
1820 |
19,9 |
31,5 |
33,21 |
42 |
241 |
1,66 |
Varvel RD32 |
6900 |
25,3 |
31,5 |
29,64 |
47 |
215 |
2,75 |
Varvel RD42 |
9290 |
31,9 |
40 |
38,57 |
36 |
280 |
1,01 |
Varvel RD32 |
6470 |
25,6 |
40 |
41,54 |
34 |
301 |
1,34 |
Varvel RD42 |
9860 |
32,3 |
40 |
38,06 |
37 |
276 |
1,52 |
Varvel RD33 |
3800 |
26,5 |
40 |
41,88 |
33,4 |
272 |
2,30 |
Varvel RD43 |
9700 |
33,4 |
50 |
50,73 |
28 |
368 |
0,77 |
Varvel RD32 |
5800 |
25,6 |
50 |
50,30 |
28 |
365 |
1,11 |
Varvel RD42 |
9310 |
32,3 |
50 |
48,77 |
29 |
354 |
1,19 |
Varvel RD33 |
5400 |
26,5 |
50 |
51,08 |
27,4 |
348 |
1,80 |
Varvel RD43 |
9500 |
33,4 |
63 |
62,96 |
22 |
457 |
0,89 |
Varvel RD42 |
8200 |
32,4 |
63 |
64,84 |
22 |
471 |
0,90 |
Varvel RD33 |
4000 |
26,6 |
63 |
63,75 |
22 |
463 |
1,36 |
Varvel RD43 |
8700 |
33,5 |
80 |
76,31 |
18 |
554 |
0,76 |
Varvel RD33 |
3000 |
26,6 |
80 |
82,25 |
17 |
545 |
1,16 |
Varvel RD43 |
6700 |
33,6 |
100 |
102,50 |
13,7 |
710 |
0,89 |
Varvel RD43 |
5500 |
33,8 |
P1=
1.5 кВт
n1= 1400 об/мин
iн |
iд |
n2,
об/мин |
M2,
Н·м |
F.S. |
Тип мотор-редуктора |
Fr2,
Н |
Mасса,
кг |
2,5 |
2,55 |
549 |
25 |
3,42 |
Varvel RD22 |
1950 |
21,1 |
3,15 |
3,13 |
447 |
31 |
2,99 |
Varvel RD22 |
1840 |
21,1 |
4,0 |
3,92 |
357 |
38 |
2,56 |
Varvel RD22 |
1950 |
21,1 |
5,0 |
5,01 |
279 |
49 |
2,14 |
Varvel RD22 |
2060 |
21,1 |
6,3 |
6,72 |
208 |
66 |
2,65 |
Varvel RD22 |
2280 |
21,1 |
8,0 |
8,27 |
169 |
81 |
2,18 |
Varvel RD22 |
2380 |
21,3 |
10,0 |
10,33 |
136 |
102 |
1,76 |
Varvel RD22 |
2490 |
21,3 |
12,5 |
13,23 |
106 |
130 |
1,39 |
Varvel RD22 |
2580 |
21,3 |
12,5 |
12,38 |
113 |
122 |
3,13 |
Varvel RD32 |
5500 |
26,6 |
16,0 |
16,29 |
86 |
160 |
1,14 |
Varvel RD22 |
2650 |
21,4 |
16,0 |
16,45 |
85 |
162 |
2,39 |
Varvel RD32 |
6080 |
26,7 |
20,0 |
20,67 |
68 |
203 |
0,91 |
Varvel RD22 |
2230 |
21,4 |
20,0 |
19,36 |
72 |
190 |
2,05 |
Varvel RD32 |
6310 |
26,7 |
20,0 |
19,64 |
71 |
193 |
3,01 |
Varvel RD42 |
8050 |
33,3 |
25,0 |
26,73 |
52 |
263 |
0,71 |
Varvel RD22 |
2100 |
21,4 |
25,0 |
25,26 |
55 |
248 |
1,59 |
Varvel RD32 |
6705 |
26,8 |
25,0 |
24,48 |
57 |
241 |
2,44 |
Varvel RD42 |
8510 |
33,4 |
31,5 |
33,21 |
42 |
326 |
1,23 |
Varvel RD32 |
5700 |
26,8 |
31,5 |
29,64 |
47 |
291 |
2,03 |
Varvel RD42 |
8920 |
33,4 |
40 |
38,57 |
36 |
379 |
0,75 |
Varvel RD32 |
5000 |
27,1 |
40 |
41,54 |
34 |
408 |
0,99 |
Varvel RD42 |
8830 |
33,8 |
40 |
38,06 |
37 |
374 |
1,12 |
Varvel RD33 |
3000 |
28,0 |
40 |
41,88 |
33,4 |
368 |
1,70 |
Varvel RD43 |
9200 |
34,9 |
50 |
50,30 |
28 |
494 |
0,82 |
Varvel RD42 |
7850 |
33,8 |
50 |
48,77 |
29 |
479 |
0,88 |
Varvel RD33 |
4500 |
28,0 |
50 |
51,08 |
27,4 |
471 |
1,33 |
Varvel RD43 |
8100 |
34,9 |
63 |
63,75 |
22 |
626 |
1,00 |
Varvel RD43 |
6000 |
35,0 |
80 |
82,25 |
17 |
737 |
0,85 |
Varvel RD43 |
6100 |
35,1 |
P1=
2.2 кВт
n1= 1410 об/мин
iн |
iд |
n2,
об/мин |
M2,
Н·м |
F.S. |
Тип мотор-редуктора |
Fr2,
Н |
Mасса,
кг |
2,5 |
2,55 |
553 |
36 |
2,36 |
Varvel RD22 |
1670 |
26,6 |
3,15 |
3,13 |
450 |
45 |
2,07 |
Varvel RD22 |
1740 |
26,6 |
4,0 |
3,92 |
360 |
56 |
1,77 |
Varvel RD22 |
1820 |
26,6 |
5,0 |
5,01 |
281 |
71 |
1,48 |
Varvel RD22 |
1890 |
26,6 |
5,0 |
5,33 |
265 |
76 |
3,10 |
Varvel RD32 |
4250 |
32,6 |
6,3 |
6,72 |
210 |
95 |
1,83 |
Varvel RD22 |
2100 |
26,6 |
8,0 |
8,27 |
170 |
117 |
1,51 |
Varvel RD22 |
2160 |
26,8 |
8,0 |
7,72 |
183 |
110 |
3,39 |
Varvel RD32 |
4800 |
32,8 |
10,0 |
10,33 |
136 |
147 |
1,22 |
Varvel RD22 |
2200 |
26,8 |
10,0 |
9,66 |
146 |
137 |
2,74 |
Varvel RD32 |
5050 |
32,9 |
12,5 |
13,23 |
107 |
188 |
0,96 |
Varvel RD22 |
2220 |
26,8 |
12,5 |
12,38 |
114 |
176 |
2,17 |
Varvel RD32 |
5360 |
32,9 |
12,5 |
12,20 |
116 |
173 |
3,27 |
Varvel RD42 |
6800 |
39,5 |
16,0 |
16,29 |
87 |
231 |
0,79 |
Varvel RD22 |
1650 |
26,9 |
16,0 |
16,45 |
86 |
234 |
1,65 |
Varvel RD32 |
5710 |
33,0 |
16,0 |
15,22 |
93 |
216 |
2,65 |
Varvel RD42 |
7180 |
39,6 |
20,0 |
19,36 |
73 |
275 |
1,42 |
Varvel RD32 |
5890 |
33,0 |
20,0 |
19,64 |
72 |
279 |
2,08 |
Varvel RD42 |
7620 |
39,7 |
25,0 |
25,26 |
56 |
359 |
1,10 |
Varvel RD32 |
5000 |
33,1 |
25,0 |
24,48 |
58 |
348 |
1,69 |
Varvel RD42 |
7990 |
39,8 |
31,5 |
33,21 |
42 |
472 |
0,85 |
Varvel RD32 |
4200 |
33,1 |
31,5 |
29,64 |
48 |
421 |
1,41 |
Varvel RD42 |
8290 |
39,8 |
40 |
41,88 |
33,7 |
532 |
1,17 |
Varvel RD43 |
6800 |
41,2 |
50 |
51,08 |
27,6 |
681 |
0,92 |
Varvel RD43 |
5500 |
41,2 |
P1=
3.0 кВт
n1= 1420 об/мин
iн |
iд |
n2,
об/мин |
M2,
Н·м |
F.S. |
Тип мотор-редуктора |
Fr2,
Н |
Mасса,
кг |
2,5 |
2,55 |
557 |
49 |
1,75 |
Varvel RD22 |
1570 |
28,6 |
3,15 |
3,13 |
454 |
60 |
1,53 |
Varvel RD22 |
1620 |
28,6 |
3,15 |
3,32 |
428 |
64 |
3,21 |
Varvel RD32 |
3630 |
34,5 |
4,0 |
3,92 |
362 |
75 |
1,31 |
Varvel RD22 |
1660 |
28,6 |
4,0 |
4,16 |
341 |
80 |
2,75 |
Varvel RD32 |
3850 |
34,6 |
5,0 |
5,01 |
283 |
96 |
1,09 |
Varvel RD22 |
1700 |
28,6 |
5,0 |
5,33 |
266 |
103 |
2,29 |
Varvel RD32 |
4080 |
34,6 |
6,3 |
6,72 |
211 |
129 |
1,35 |
Varvel RD22 |
1890 |
28,6 |
6,3 |
6,26 |
227 |
120 |
3,06 |
Varvel RD32 |
4360 |
32,1 |
8,0 |
8,27 |
172 |
159 |
1,11 |
Varvel RD22 |
1900 |
28,8 |
8,0 |
7,72 |
184 |
148 |
2,51 |
Varvel RD32 |
4580 |
34,8 |
10,0 |
10,33 |
137 |
199 |
0,90 |
Varvel RD22 |
1880 |
28,8 |
10,0 |
9,66 |
147 |
186 |
2,03 |
Varvel RD32 |
4800 |
34,9 |
10,0 |
10,00 |
142 |
192 |
2,91 |
Varvel RD42 |
6200 |
41,4 |
12,5 |
13,23 |
107 |
254 |
0,71 |
Varvel RD22 |
1600 |
28,8 |
12,5 |
12,38 |
115 |
238 |
1,60 |
Varvel RD32 |
5040 |
34,9 |
12,5 |
12,20 |
116 |
235 |
2,41 |
Varvel RD42 |
6500 |
41,5 |
16,0 |
16,45 |
86 |
317 |
1,22 |
Varvel RD32 |
5300 |
35,0 |
16,0 |
15,22 |
93 |
293 |
1,96 |
Varvel RD42 |
6810 |
41,6 |
20,0 |
19,36 |
73 |
373 |
1,05 |
Varvel RD32 |
4500 |
35,0 |
20,0 |
19,64 |
72 |
378 |
1,53 |
Varvel RD42 |
7150 |
41,7 |
25,0 |
25,26 |
56 |
486 |
0,81 |
Varvel RD32 |
4000 |
35,1 |
25,0 |
24,48 |
58 |
471 |
1,25 |
Varvel RD42 |
7400 |
41,8 |
31,5 |
29,64 |
47,9 |
570 |
1,04 |
Varvel RD42 |
6110 |
41,8 |
40 |
41,88 |
34 |
720 |
0,87 |
Varvel RD43 |
5800 |
43,2 |
P1=
4.0 кВт
n1= 1425 об/мин
iн |
iд |
n2,
об/мин |
M2,
Н·м |
F.S. |
Тип мотор-редуктора |
Fr2,
Н |
Mасса,
кг |
2,5 |
2,70 |
528 |
69 |
2,74 |
Varvel RD32 |
3330 |
36,5 |
3,15 |
3,32 |
429 |
86 |
2,40 |
Varvel RD32 |
3500 |
42,5 |
4,0 |
4,16 |
343 |
107 |
2,05 |
Varvel RD32 |
3690 |
42,6 |
4,0 |
3,96 |
360 |
102 |
3,38 |
Varvel RD42 |
4000 |
48,8 |
5,0 |
5,33 |
267 |
137 |
1,71 |
Varvel RD32 |
3880 |
42,6 |
5,0 |
4,83 |
295 |
124 |
2,92 |
Varvel RD42 |
4850 |
48,8 |
6,3 |
6,26 |
228 |
161 |
2,29 |
Varvel RD32 |
4160 |
40,1 |
6,3 |
6,29 |
227 |
162 |
3,39 |
Varvel RD42 |
5340 |
49,3 |
8,0 |
7,72 |
185 |
199 |
1,87 |
Varvel RD32 |
4330 |
42,8 |
8,0 |
7,86 |
181 |
202 |
2,74 |
Varvel RD42 |
5620 |
49,3 |
10,0 |
9,66 |
148 |
249 |
1,51 |
Varvel RD32 |
4500 |
42,9 |
10,0 |
10,00 |
143 |
257 |
2,18 |
Varvel RD42 |
5920 |
49,4 |
12,5 |
12,38 |
115 |
319 |
1,20 |
Varvel RD32 |
4650 |
42,9 |
12,5 |
12,20 |
117 |
314 |
1,80 |
Varvel RD42 |
6150 |
49,5 |
16,0 |
16,45 |
87 |
424 |
0,91 |
Varvel RD32 |
2900 |
43,0 |
16,0 |
15,22 |
94 |
392 |
1,46 |
Varvel RD42 |
6380 |
49,6 |
20,0 |
19,36 |
74 |
498 |
0,78 |
Varvel RD32 |
2500 |
43,0 |
20,0 |
19,64 |
73 |
506 |
1,15 |
Varvel RD42 |
6590 |
49,7 |
25,0 |
24,48 |
58 |
630 |
0,93 |
Varvel RD42 |
4290 |
49,8 |
31,5 |
29,64 |
48 |
763 |
0,78 |
Varvel RD42 |
4000 |
49,8 |
P1=
5.5 кВт
n1= 1440 об/мин
iн |
iд |
n2,
об/мин |
M2,
Н·м |
F.S. |
Тип мотор-редуктора |
Fr2,
Н |
Mасса,
кг |
2,5 |
2,49 |
578 |
87 |
3,38 |
Varvel RD42 |
3950 |
58,0 |
3,15 |
3,11 |
463 |
109 |
2,94 |
Varvel RD42 |
4167 |
58,0 |
4,0 |
3,96 |
364 |
139 |
2,49 |
Varvel RD42 |
4400 |
58,1 |
5,0 |
4,83 |
298 |
169 |
2,15 |
Varvel RD42 |
4580 |
58,1 |
6,3 |
6,29 |
229 |
220 |
2,49 |
Varvel RD42 |
5050 |
58,6 |
8,0 |
7,86 |
183 |
275 |
2,01 |
Varvel RD42 |
5270 |
58,6 |
10,0 |
10,00 |
144 |
350 |
1,60 |
Varvel RD42 |
5480 |
58,7 |
12,5 |
12,20 |
118 |
427 |
1,33 |
Varvel RD42 |
5610 |
58,8 |
16,0 |
15,22 |
95 |
533 |
1,07 |
Varvel RD42 |
5710 |
58,9 |
20,0 |
19,64 |
73 |
688 |
0,84 |
Varvel RD42 |
5260 |
59,0 |
P1=
7.5 кВт
n1= 1440 об/мин
iн |
iд |
n2,
об/мин |
M2,
Н·м |
F.S. |
Тип мотор-редуктора |
Fr2,
Н |
Mасса,
кг |
2,5 |
2,49 |
578 |
118 |
2,50 |
Varvel RD42 |
3760 |
75,0 |
3,2 |
3,11 |
463 |
148 |
2,17 |
Varvel RD42 |
3940 |
75,0 |
4,0 |
3,96 |
364 |
188 |
1,84 |
Varvel RD42 |
4110 |
75,1 |
5,0 |
4,83 |
298 |
229 |
1,58 |
Varvel RD42 |
4230 |
75,1 |
6,3 |
6,29 |
229 |
298 |
1,84 |
Varvel RD42 |
4690 |
75,6 |
8,0 |
7,86 |
183 |
373 |
1,49 |
Varvel RD42 |
4820 |
75,6 |
10,0 |
10,00 |
144 |
474 |
1,18 |
Varvel RD42 |
4900 |
75,7 |
12,5 |
12,20 |
118 |
579 |
0,98 |
Varvel RD42 |
4590 |
75,8 |
16,0 |
15,22 |
95 |
722 |
0,79 |
Varvel RD42 |
5100 |
75,9 |
|
| |
| |
Варианты установки |
 |
| |
|
Приводная техника (мотор-редукторы, преобразователи частоты и устройства плавного пуска) отправляется покупателю транспортной компанией. По всем вопросам обращаться в офис.
Мы всегда рады видеть у себя наших старых партнеров и ждем новых.
Доставка во все регионы России!
|
 |